电磁流量计管道安装位置要求
正确选择安装位置
正确地选择安装位置和正确安装电磁流量计都是非常重要的环节,若在安装环节失误,轻者影响测量精度,重者会影响电磁流量计的使用寿命,甚至会损坏电磁流量计。选择安装位置时应注意以下问题:
1.测量电极的轴线必须近似于水平方向(与水平线夹角一般为 10°以内)

2.测量管道内必须完全充满液体。
3.电磁流量计的前方*少要有 5×D(D 为流量计内径)长度的直管段,后方*少要有 2×D(D为流量计内径)长度的直管段。

4.流体的流动方向和电磁流量计的箭头方向一致。
5.管道内要有真空会损坏电磁流量计的内衬,需特别注意。
6.在电磁流量计附近应无强电磁场,仪表安装场所的磁场强度应小于 400A/m(避免安装在大型电机或变压器等设备附近)。
7.若测量管道有振动,在电磁流量计的两边应有固定的支座。
8.测量不同介质的混合液时,混合点与电磁流量计之间的距离*少要有 30×D(D 为流量计内径)。
9.为方便今后电磁流量计的清洗和维护,应安装旁通管道。

10.安装聚四氟乙烯内衬的电磁流量计时,连接两法兰的螺栓应注意均匀拧紧,否则容易压坏聚四氟乙烯内衬,*好用力矩扳手。
11.仪表应避免强烈振动和过大的温度变化,同时要防止腐蚀性液体的滴漏对仪表造成损害。
12.如果安装地点易受阳光曝晒,应当增加遮蔽设施。
13.安装传感器时,应保证测量管与工艺管道同轴。对 50mm 及以下公称通径的传感器,其轴线偏离不超过 2mm。DN65~DN150 其轴线偏离不超过 3mm,≥DN200 其轴线偏离不超过 4mm。
14.法兰之间加装的法兰垫圈,应有良好的耐腐蚀性能,该垫圈不得伸入管道内部。
15.紧固仪表螺栓、螺母,其螺纹应完整无损,润滑良好。应依据法兰尺寸、力矩大小采用力矩扳手紧固螺栓。
16.在传感器邻近管道进行焊接或火焰切割时,要采用隔离措施,防止衬里受热,且必须确认仪表未通电运行,防止损坏仪表。
安装方式
应安装在水平管道较低处和垂直向上处,避免安装在管道的*高点和垂直向下处。

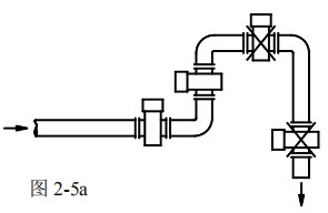
应安装在管道的上升处。

在开口排放的管道安装,应安装在管道较低处。若管道落差超过 5m,在传感器的下游安装排气阀且传感器的下游应有一定的背压。

应在传感器的下游安装控制阀和切断阀,而不应安装在传感器上游。

传感器绝对不能安装在泵的进口处,应安装在泵的出口处。

在测量井内安装电磁流量计的方式:1.入口 2.溢流管 3. 清洗孔 4.入口栅 5. 短管 6.流量计 7.出口 8.排放阀

上一篇:电磁流量计前后直管段安装要求
下一篇:电磁流量计累计流量如何清零


